Projekte
Technik
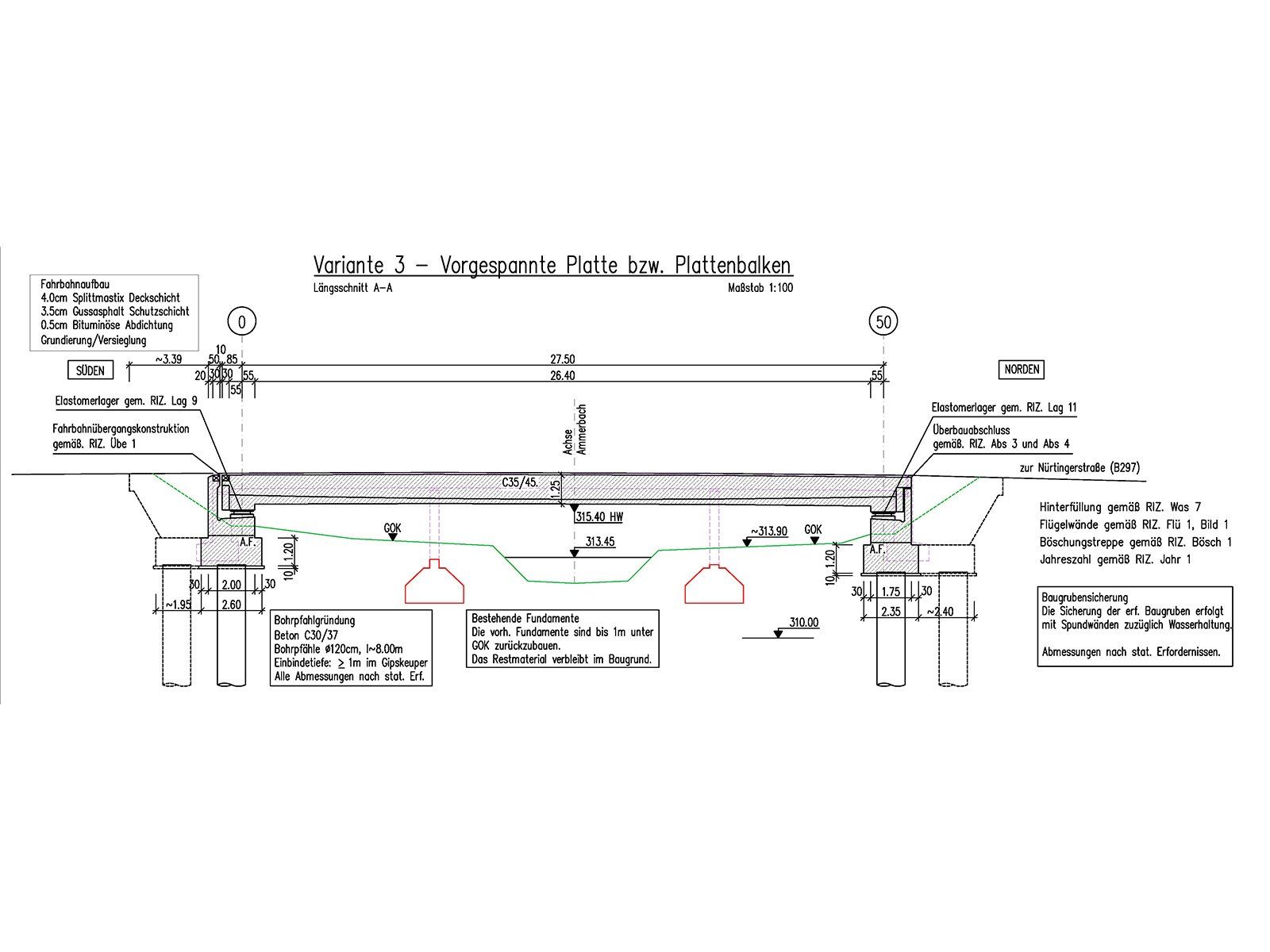
Erneuerung Ammerbrücke Gartenstraße, Tübingen.
Planung und Ausführung
2013
Objektplanung
Schneck Schaal Braun Ingenieurgesellschaft Bauen mbH, Tübingen.
Tragwerksplanung
Schneck Schaal Braun Ingenieurgesellschaft Bauen mbH, Tübingen, HOAI Lph 1 - 3 und 6.
Fotos
Schneck Schaal Braun

